
ES控制器
概述:ES系列功率因数控制器是全数字化的设计,交流采样,高速可靠的A/D转换芯片自动对系统参数进行实时的跟踪采样,采用友好的人机界面,以人为本的设计理念,外观简洁大方,安装方便,设置简单,易于编程,具有多种参数设置,显示,具有报警、保护、通讯等功能。
功能描述
1)简洁的四键控制面板,可带电完成系统设置,具有密码保护功能;
2) 可显示补偿设备的运行状态(如各种配电系统参数,投切段数等);
3) 控制方式可选择手动或自动投入;
4) 多样化的投切编程,可根据需求设定调节精度;
5) 优化的控制策略,最大限度地减少电容器的投切次数;
6) 具有过电压、过电流保护功能;
7) 具有自校准零点功能,提高测量精度;
8) 可测量并显示四象限的无功参数,即系统是吸收无功还是发出无功,无功是容性还是感性;
9) 具有故障自动诊断功能,并将结果显示在屏幕上;
10) 采用多种抗高频干扰措施,不受系统谐波及电磁干扰,安全可靠稳定;
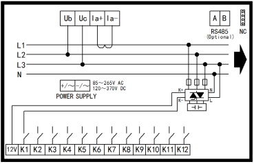
11) 具备RS485通讯接口,具备兼容多种后台软件。
规格型号
ESF-12适配接触器,可控制12段
EST-12适配晶闸管,可控制12段
注:其他型号请咨询厂家
技术参数
1、 输入电流:AC 0~5A
2、 输入电压:AC100V~750V
3、 频率:50/60Hz
4、 灵敏度:<0.2A
5、 可随时显示功率因数值,其范围为:0.00(感性)~1.00~0.00(容性)
6、 可设定功率因数值范围:0.50(感性)~1.00~0.50(容性)
7、 测量精度:电压:±1%;电流:±1%;功率因数:±1.5%;有功功率:±2.5%;无功功率:±2.5% 频率:±1% 温度:±1%。
8、 显示功能:电压、电流、有功功率、无功功率、功率因数、谐波电压畸变率、谐波电流畸变率、频率、电容投切状态、故障报警状态
9、 保护功能:越限报警和过压、欠压、缺相、谐波超标等报警
10、 防护等级:IP40(前面板)
11、设备尺寸148*148*77mm,开孔尺寸138*138mm
